数维道路设计软件

开云官方数维道路设计软件是基于开云官方国产BIM图形平台GDMP和参数化建模技术,为路桥隧设计师或BIM工程师全新打造的,聚焦于路桥隧从方案到施工图设计的符合国内设计习惯与规范标准的BIM专业化设计软件。该软件包括道路、桥梁、隧道三个子系统,为道路工程设计提供了整体解决方案。软件各子系统之间无缝协同,数据完全互通,且具备高度协同性,可以极大地提升设计效率与质量。

视频教程 下载试用

功能介绍

地形设计

地形功能支持联机底图、地形图、横断测量文件等生成地形图,支持地形数据的检查修改

支持基于地形曲面的高程数据进行高程分析以更直观地表现地形高程变化情况

支持倾斜摄影模型动态加载及浏览

支持通过地质钻孔资料生成地质模型


路线设计

路线设计包括导入路线和设计路线两种方式,其中导入路线支持纬地、EICAD/DICAD、鸿业路线文件的导入;主线线形设计支持快速自动布线、线形控制试算、S/C联合设计、快速跳转编辑,立交线形设计支持万能接线,自动判断所选线元进入对应设计界面。智能判断线形要素类型及位置,匹配最佳线形,立交变速车道设计自动判断出入口类型、方向,直接、平行式一键切换

纵断设计

自然纵断包括新建自然纵断、从地形提取自然纵断、从文件导入自然纵断;设计纵断包括新建设计纵断、从文件导入设计纵断,支持双视图拉坡;拉坡方式包括自由拉坡、定桩号、定高程、定前坡、定后坡,反算竖曲线半径、反算变坡点高程

道路平面设计及编辑

道路设计包括创建道路模型以及平面编辑、布置附属设施等,如超高加宽、路幅过渡、道路出入口、港湾车站、道路护栏;内置常用板块方案且可自定义,各结构层模型拥有独立分类编码;支持列出道路使用的所有板块方案,便于修改或替换方案

平面分图

选择路线,并确定起终点桩号,然后进行平面分图设置,生成平面分图;设置平面分图裁图方式、计算方法、页码和图面、图框、平面图附注等信息,然后自动生成平面分图


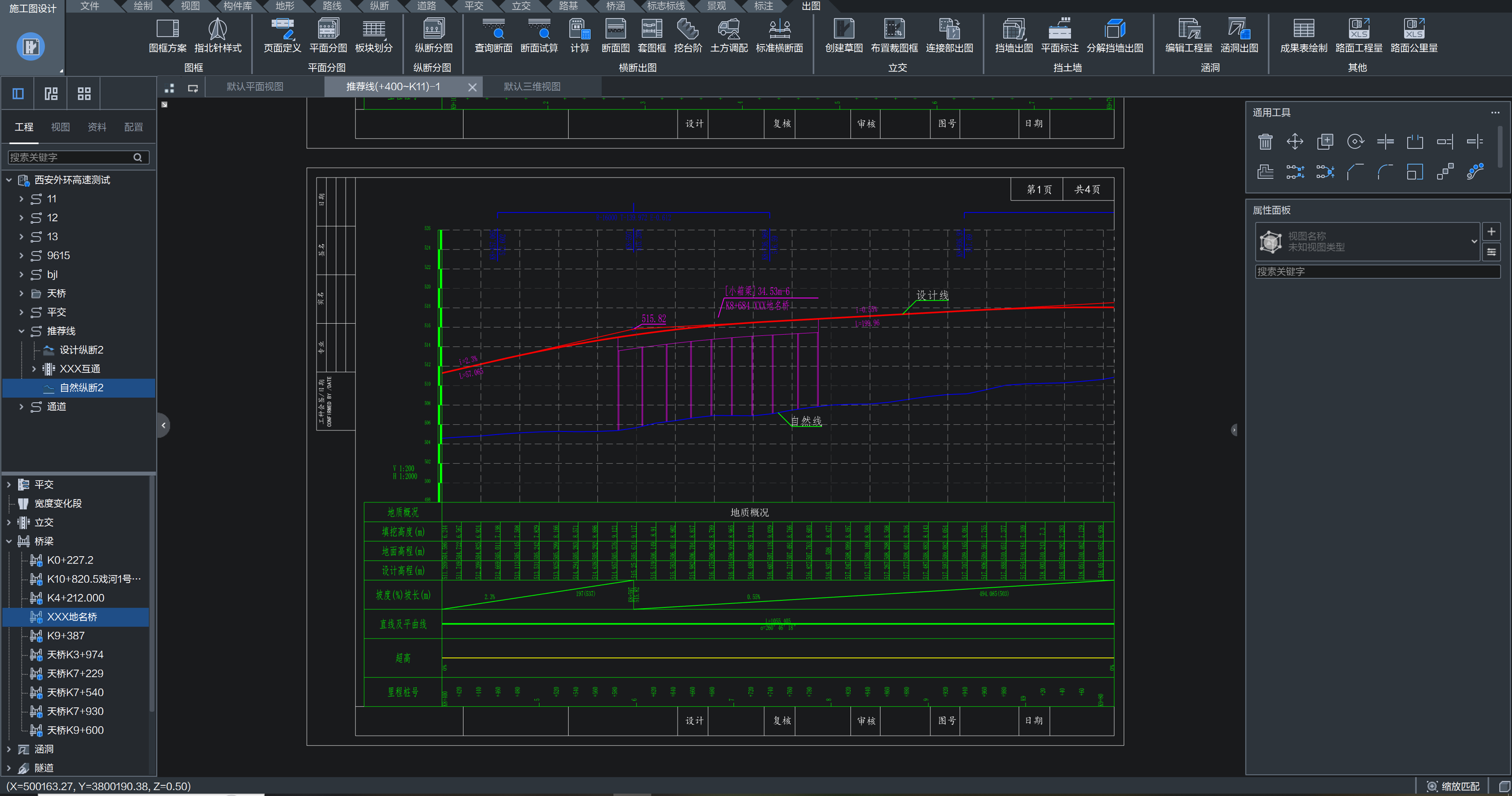
纵断出图

选择任意起终点、按设置的平纵比例、图框大小、表头栏、线型、网格等输出符合院风格的纵断面图及平纵缩图,通过样式设置灵活定制出图风格并可联动刷新、配置的样式可导入导出,纵断面图可二次自由修改、经多地区市政道路和公路对比,达到出版要求


土方横断计算出图

智能提取特征桩,依据BIM模型数据生成土方戴帽图,完成土方工程量计算和出表,特点如下:从BIM模型提取数据,并且避免了路易存在的“参数变形‘’问题;提供灵活的编辑手段,既保证了“数模一体”,又兼顾修图便利;丰富的样式设置,兼顾了市政道路和公路的出图需求;土方结果直接导Excel,直观方便。


高逼真度渲染

通过软件内置的渲染器FalconV实现高画质动画或效果图渲染,绿化树、路灯、车辆模型等自动替换为对应的精模,设计模型变更后同步更新到FalconV,无3D美工基础要求

场平土方设计

土方网格

1、多区域土方自动计算2、土方网格快速创建3、四种计算法方法:三角网法、四方棱柱法、四角棱柱法、平均高度法4、土方优化:点坡度法、三点法5、角点标高、土方方格灵活调整6、土方网格出图、相关工程量表出表

场地放坡

1、放坡组管理2、场地自动放坡3、边坡、排水沟、挡土墙灵活布置4、边坡土方计算、相关工程量表出表5、坐标标高标注6、设计地形:原始地形、设计场地、放坡组 快速组合


平纵拟合

支持旧路改扩建的路线平纵拟合

平面线型拟合功能,能够拟合直线、圆弧及折线,结合接线功能,还原旧路路线走向。

纵段拟合能够结合道路等级和竖向要求等参数,对测量点、多段线和自然线进行竖曲线拟合。


核心价值

  • 专业化

    简单易用、专业高效的方式进行路、桥、隧设计,专业数据依据设计规范驱动模型创建与联动修改;符合国内标准规范和设计习惯

  • BIM正向设计

    构件化建模,道路及附属设施、桥隧构件均采用构件方式实现;带构件编码的“数字化”设计成果

  • 一体化设计

    道路、桥梁、隧道、交通工程、管线等多专业基于一个底层平台,数据天然互通,可深度融合;设计、算量计价、施工一体化